今天是:
关闭
热门搜索:
关闭

莆田市涵江区发展和改革局莆田市涵江区财政局转发关于制定实施检验方式调整改革试点电梯定期检验收费标准的函

来源:涵江区发展和改革局 时间:2021-07-01 11:56
放大字体 | 缩小字体 | 已收藏,点击取消收藏 点击收藏 点击收藏 | 打印 |

 

 

涵江区市场监督管理局:

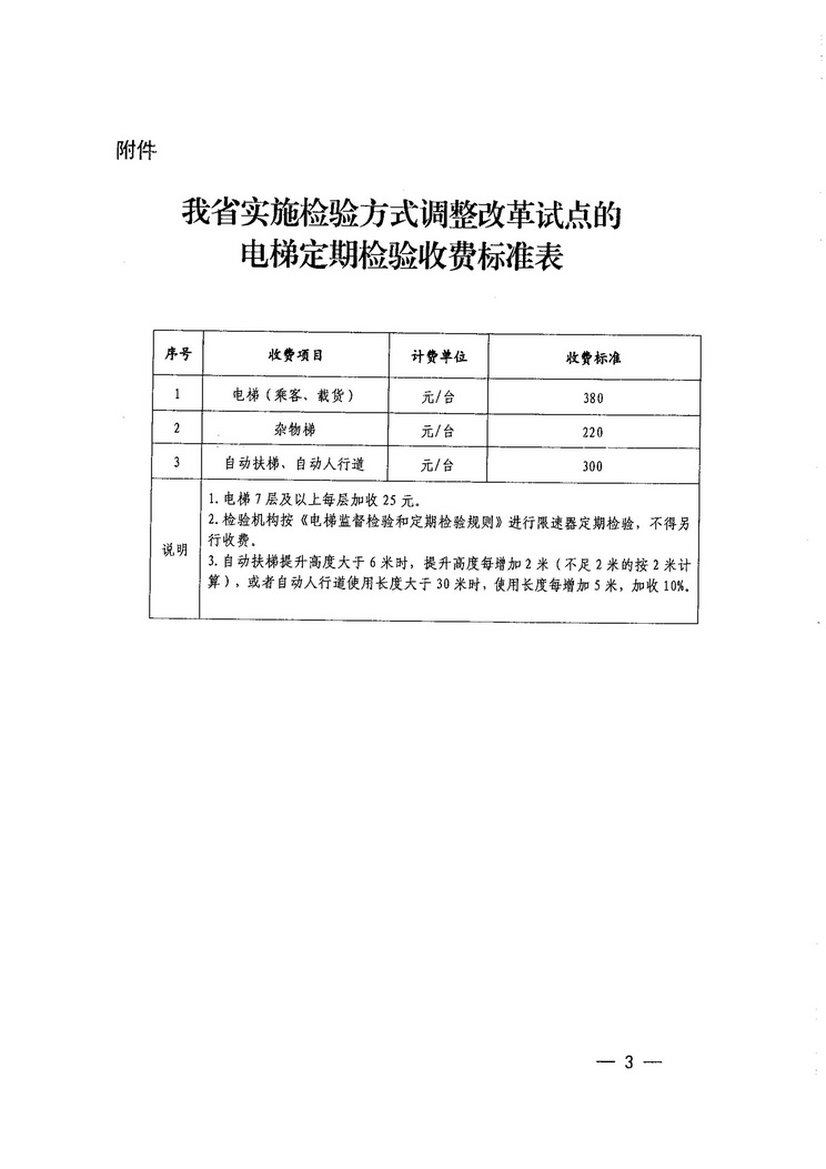
现将《福建省发展和改革委员会 福建省财政厅关于制定实施检验方式调整改革试点电梯定期检验收费标准的函》(闽发改服价函〔2021284号)转发给你们,请遵照执行,并按规定做好收费标准变动情况报告、收费公示等相关工作。

 

 

 莆田市涵江区发展和改革局       莆田市涵江区财政局

                           202171

 

扫一扫在手机上查看当前页面

附件下载:附件下载:
相关链接: